Welcome to my Ham Radio Station:


 

From Sunny North Lincolnshire uk

 

 

 

lat 53.596 Long -0.725 Grid IO93po WAB SE81: Operator Martin.

What is the time in?

Choose a City Below

...................


World Time Clock

Building a G5RV antenna My Early Projects   A Simple lightening arrester   

For Beginners

Basic Antenna Tuner Project  Getting Computerized  CI-V Interface Controller Receiver Workshop
Slim Jim Antenna Project A VOX PTT Circuit 6 Meter Centre Fed Dipole Transmitter Workshop
Taking the RAE
      

 More Projects

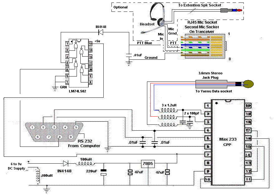
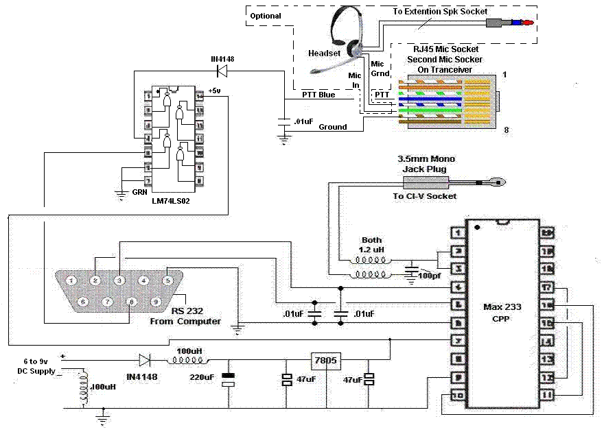
Here is a circuit that will please many,  a cheap alternative to expensive TNC's,firstly then we look at the CI-V type port to connect to the interface, most of the Icom rigs use this interface and I must admit the prime reason for developing this interface was to use with my own Icom IC 706, . (continued Below)

As you can see the circuit is very simple, and uses the Max 233 CPP RS232 interface chip to control the data flow, this interface works very well with programs like Ham Radio Deluxe etc, and I am now using this interface on a daily basis.

So far I have only built this circuit on a small piece of Veroboard, but that's where all good projects begin, I am not going to waste time going into the construction of this interface due to its simplicity, however if you want any details please email me you can find my email address on QRZ.COM, (or join my forum) link to that on the homepage.

Just a few pointers then, the CI-V plug is a mono 3.5mm plug, the Max 233 CPP chip is available from most Maplin stores, you can use a 5v regulated power supply to power this interface if you wish, in which case you do not need to include the (Optional) 7805 regulator as shown, or the interface could be powered by 4 AA batteries placed in a battery box within the interface case (but if you choose batteries use rechargeable Batteries), other wise it gets expensive.

==================

Now we will turn our attention to another port type found on Yaesu rigs, it uses the same principle as the CI-V port but as you can see from the circuit below the plug is a stereo 3.5mm type rather than mono, and the way that the data is fed to the MAX233 chip is different, rather than the pins 1 & 2 being strapped together the data flow goes to each individual pin (Data in / Data out) from the tip and the ring on the stereo plug, plug tip to pin 2 and plug ring to pin three, case to ground via a 1.2uH choke.

Here is the circuit then.

The cost of the whole project is under £15, the max 233 chip costing around £5.60, the 74LS02 around £1, (Cheaper if you use transistor switching), and all sundry bits and pieces around another £5.

It Does work and I am using this circuit on a daily basis, in this version the problem with the TX Button on Ham Radio Deluxe not switching the rig to TX is overcome, the problem is common in older rigs (like Mine Hi) but the button does still cause an Hi/Low state on pin 7 and 8 on the RS232 plug, unfortunately in TX the state is High, so we need to invert this to pull the PTT line low, we do this by inserting a 74LS02 (Logic Chip)

or a transistor inverter into the circuits shown above, the diode IN4148 in the PTT line prevents a High state being put onto the PTT line in receive mode, I chose the LS7402 chip rather than a transistor for its positive on/off state over a wider input voltage range being better than that of a transistor and the fact that no external components are needed hence using less space on the board (but that is only my opinion), and for those that disagree (Right is a simple transistor NOT gate) that could be used to replace the LS7402 logic ic, there are other transistor NOT gates out there if you don't like this one.

This part of the circuit uses a separate line connected via the external rear panel mic socket found on most Icom rigs, and it does mean that you can leave the front panel mic in situe for normal working, the lead is a standard RJ45 lead and the pin out is 8pin same as a network cable and in fact this is exactly what I used on this project,

If your rig doesn't use a modular type RJ45 type microphone connector but a 6 or 8 pin round connector instead you can usually find the pin outs for these in the user manual, the pins to use will be the same: PTT and Mic in.

OPTIONAL:  now in both cases as I was going to use the external mic socket I thought it might be interesting to add an headset, which is very easy to do, but rather than use the audio line on the mic socket you will see I have brought in a line from the external Spk/headphone socket, this has more volume on it than the audio out on the mic socket, but this is optional and can be left out if wished, in this case the connection to the RJ45 socket would be for the PTT line only, But I have put an inline mic socket in the circuit for the headset, and this makes it possible to connect any type of microphone of your choice rather than the headset. so its still worth adding this part of the circuit. 

73's for now.

Martin.

<HOME>